封闭型扁圆头抽芯铆钉装备优点:铆接范围广,安装迅速,性能稳定可靠,在世界各地的加工制造行业都有应用,使用上的主要优点包括:
单面施工
铆接范围广
安装迅速
夹紧力大,抗震性好,
铆钉断口平整,锁芯能力强
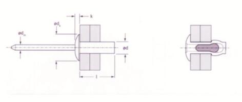
封闭型扁圆头抽芯铆钉标准安装步骤
1.将封闭型扁圆头抽芯铆钉装入枪嘴,插入预先钻好的孔中。
2.启动工具,拉动封闭型扁圆头抽芯铆钉膨胀变开,填充工件孔。
3.载荷达到预定值时,封闭型扁圆头抽芯铆钉在头部平整断裂,钉杆被锁紧在封闭型扁圆头抽芯铆钉中。
封闭型扁圆头抽芯铆钉工作原理:
封闭型扁圆头抽芯铆钉工作原理是通过拉动芯头来实现的,借助一个由里向外的力。想要更好地应用封闭型扁圆头抽芯铆钉。首先要详细了解工作原理:下面:凯仕特铆钉将综合利用图文为大家详细介绍封闭型扁圆头抽芯铆钉工作原理:
![$B2U3}DRM%D~9U~N]07}T$1.jpg $B2U3}DRM%D~9U~N]07}T$1.jpg](/UploadFiles/FCK/2016-11/6361531496473437505473761.jpg)
封闭型扁圆头抽芯铆钉是一种盲面铆接新型紧固件。封闭型扁圆头抽芯铆钉广泛使用于对被铆接件有密闭性能要求的被连接件的铆合.
封闭型扁圆头抽芯铆钉不仅具有抽芯铆钉所具有的使用方便、效率高、噪音低,能降低劳动强度等特点,更具有连接件密封性好,铆接后封闭铆钉的钉芯不生锈的特点。
开口型抽芯铆钉是一种高强度铆接连接紧固件,有高强度、高光洁度、铆接表面光亮持久、没有锈蚀点、铆接面稳定、可靠、铆接表面是平面等特……

开口型抽芯铆钉广泛适用于食品机械、厨房用具、高档装潢、制药设备、医疗器械、电梯、各种高档轻工机械设备、健身器材、雕塑、工艺品、礼品等行业中要求铆接表面是平面